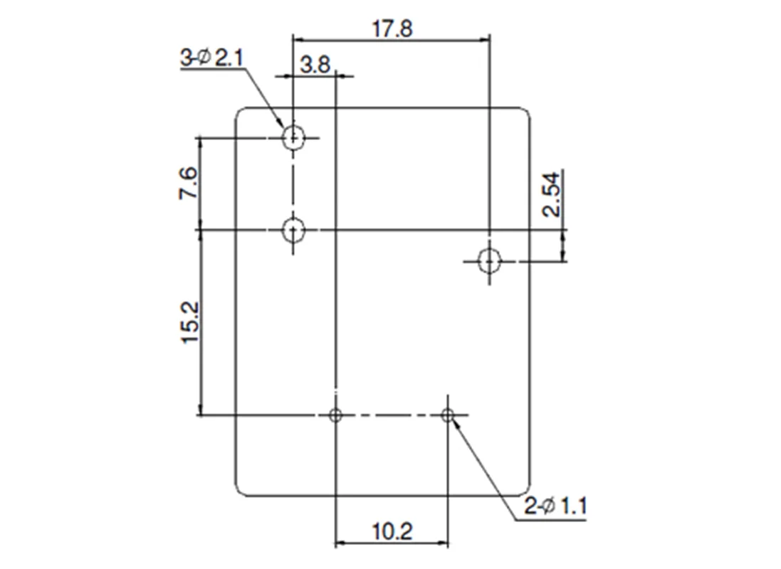
رله کولری 24 ولت 30 آمپر 4 پین SHORI

S12-QAS-24 SHORI

از {{model.count}}
محصول مورد نظر موجود نمی‌باشد.
تعداد
نوع
  • {{value}}
تماس بگیرید
کمی صبر کنید...

رله هاقطعات الکترومکانیکی هستند که از یک الکترومغناطیس برای تغییر حالت یک یا چند کنتاکت متحرک از یک حالت  باز به یک حالت  بسته ویا بلعکس  استفاده می کنند. برای راه اندازی سیم پیچ رله مقدار نسبتاً کمی توان نیاز است  ، اما خود رله می تواند برای کنترل موتورها ، بخاری ها ، لامپ ها یا مدارهای AC و....استفاده شود که خود آنها به نیروی الکتریکی بیشتری نیازدارند.

اهم بوبین
660 اهم
ولتاژبوبین
24 ولت
جریان کنتاکت
36 میلی آمپر

دیدگاه خود را بنویسید

  • {{value}}
این دیدگاه به عنوان پاسخ شما به دیدگاهی دیگر ارسال خواهد شد. برای صرف نظر از ارسال این پاسخ، بر روی گزینه‌ی انصراف کلیک کنید.
دیدگاه خود را بنویسید.
کمی صبر کنید...